

產品定義:
智能戒指超薄六層軟硬結合基板:是一種智能戒指電子設備的超薄基礎線路板,它結合了軟板和硬板的優點,以實現更好的性能和功能。這種結合板通常由六層組成,其中每一層都有其特定的功能和作用。智能戒指超薄六層軟硬結合板的設計ODM和OEM制造需要考慮到設備的結構、ID尺寸、功耗、重量、耐用性、散熱性能、電磁屏蔽性能等多個方面,以確保設備能夠滿足用戶的需求并具有較長的使用壽命。
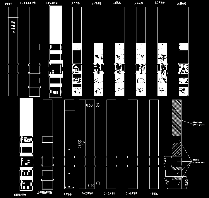
產品圖片:

基材采用1+1+2+1+1的搭配:雙面基材L3-L4鉆孔1、內層圖形轉移、AOI殘缺掃描、復合L3-L4層單面基材組成L2/L5、鉆孔2、沉/鍍銅1、圖形轉移L2/L5、貼L2/L5覆蓋膜、復合L2/L5層單面硬板基材組成L1/L6、正反面深控盲孔L1/L2跟L5/L6加工、1~6層通孔3、沉/鍍銅2、磨板、除膠渣、盤中孔電鍍填平、剩下工序與正常雙面板工序類似
產品特色亮點:因智能戒指空間狹小,軟硬結合板必須超薄,局部硬板區與局部硬板區之間的軟板銜接處非常窄小,有比較大的制造難度。
產品應用:藍牙硬組網智能戒指、健康監測智能戒指、運動監測智能戒指
產品輸出相關報告:
《項目技術可行性分析報告》
《產品上錫測試報告》
《線路板成品可靠性測試報告》
移動端WAP
實佳線路板公眾號